首页 > D380抛丸器
产品分类
新闻资讯
抛丸器
D380抛丸器
作者:青岛恒辉机械有限公司 发布时间:2022-10-30 22:27:57

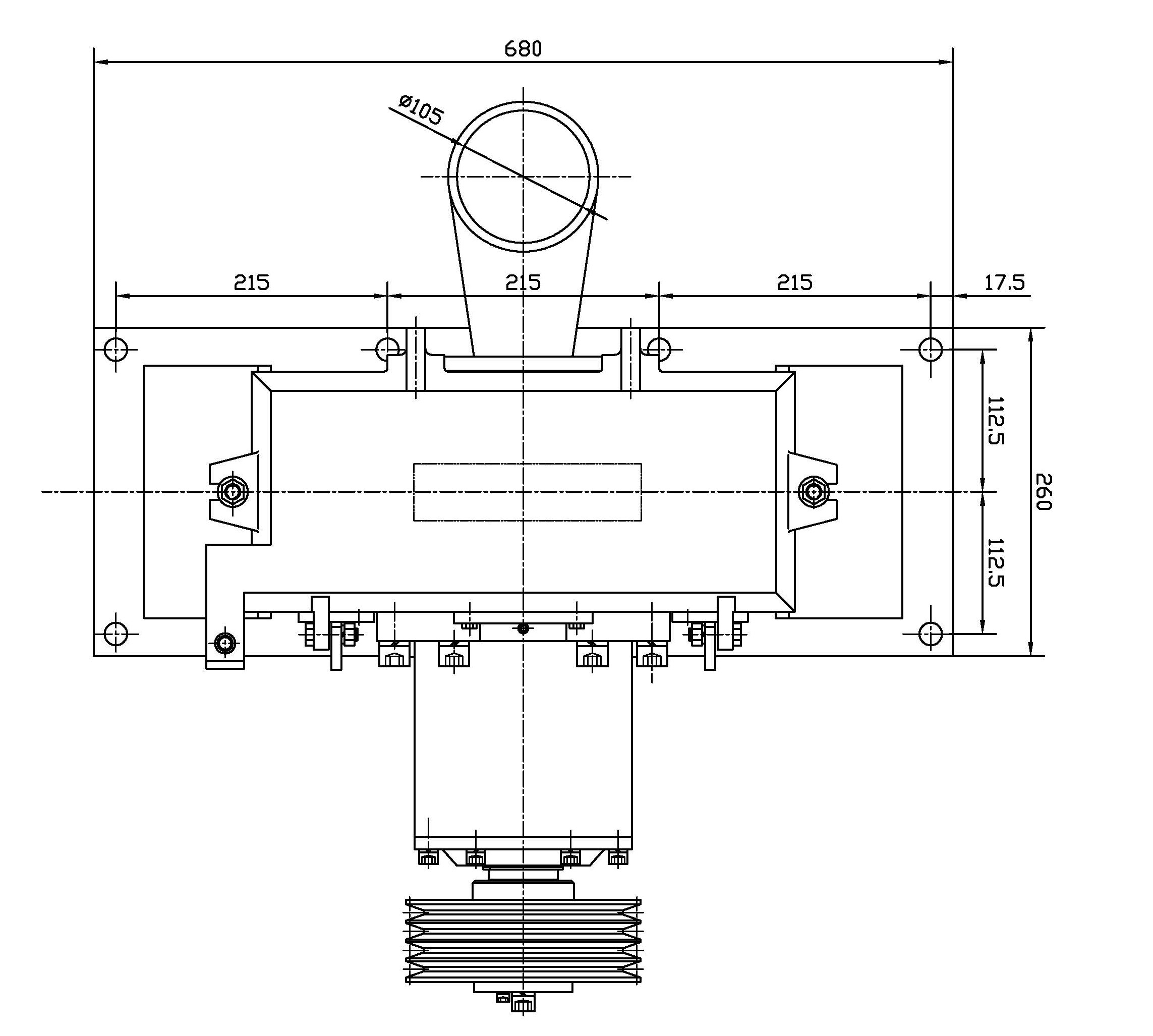
D380抛丸器属皮带传动抛丸器,单元盘叶轮体,稳定的设计结构,主要用于清理汽车配件抛丸机。
抛丸器的组成:主要由焊接壳体、顶盖、叶轮、叶片、分砂轮、定向套、主轴、进丸管等主要零件组成。分丸轮固定在主轴上与叶轮一起旋转,定向套则由定向套固定在护罩体上。
D380抛丸器广泛用于悬链通过式抛丸机,应对汽车配件,轮毂抛丸等。


